Err

SET GOTOH PLAQUE DE FIXATION CORPS/MANCHE MODELE NOIR + VIS
  • SET GOTOH PLAQUE DE FIXATION CORPS/MANCHE MODELE NOIR + VIS
  • SET GOTOH PLAQUE DE FIXATION CORPS/MANCHE MODELE NOIR + VIS

SET GOTOH PLAQUE DE FIXATION CORPS/MANCHE MODELE NOIR + VIS

GOTOH
(Code: GOT-NBS-3-B)
En Stock
(6 Article(s) en stock)
12,50 €
50g
4x sans frais avec Paypal
Port
5.90 ou 5,40 point relais (0 à partir de 99)
Expédition le jour-même si commande passée avant 15h30 (sauf samedis)
Description


Set Gotoh plaque de fixation noir + vis

Fabrication japonaise

4 vis noires

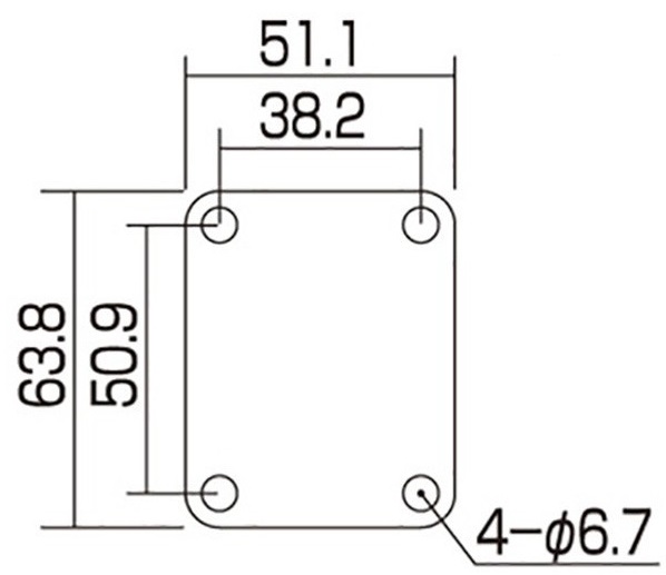
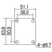
DISTANCE STANDARD : 38mm à l'entraxe (44mm à l'extérieur des trous de fixation)

La plaque est noire.

Dimensions : 51mm sur 64mm 

NB : petit truc pour reconnaître une plaque Gotoh. Les vis noires chez Gotoh sont peintes tout en étant maintenues par une pince. C'est pourquoi on retrouve la trace de cette pince non peinte. Voyez sur la photo les vis, on voit le laiton jaune apparaître sur 3 d'entre elles.
 

Précaution : ne pas visser les plaques de fixation avec une visseuse électrique. C'est la meilleure façon de casser la vis dans le bois. Allez-y plutôt à l'ancienne. A la pignole ! A la force du pognée. En ayant eu soin de pré-percer le trou.

Articles complémentaires